| D f1 ±0,5 | S 3 ±0,05 | D o | D1 | S f1 | B ±05 | ||
| 44 | 3.5 | 36 | -0,15 -0,10 | 30 | 3 | -0,15 -0,10 | 40 |
| 45 | 4 | -0,03 -0,08 | 30 | ||||
| 60 | 3.5 | 41 | -0,13 -0,08 | 35 | -0,09 -0,15 | 42 | |
| 52 | 4 | 0 -0,05 | 35 | ||||
| 54 | 3.5 | 42 | -0,10 -0,05 | 3.5 | -0,02 -0,07 | 30 | |
| 60 | 4.52 | 44 | -0,14 -0,09 | 40 | 2 | -0,03 -0,08 | 39.5 |
| 53 | 4.5 | 40 | |||||
| 60 | 4 | 39.5 | |||||
| 66 | 4 | 45 | 2.4 | 40 | |||
| 60 | 4.5 | 46 | 8 | 3 | 39.5 | ||
| 61 | 4 | 0 -0,05 | 40 | ||||
| 62 | 4 | 47 | -0,13 -0,07 | 3.5 | -0,08 -0,13 | 49 | |
| 70 | 4.5 | 54 | -0,19 -0,14 | 50 | 2 | -0,03 -0,08 | 53 |
| 68 | 4.52 | 54.9 | -0,045 -0,005 | 48 | 3.5 | -0,045 -0,095 | 41.3 |
| 70 | 3.5 | 56 | -0,16 -0,11 | 50 | 3 | -0,09 -0,14 | 48 |
| 76 | 3.5 | 57 | -0,10 -0,05 | 3.5 | 0.01 -0,04 | 54 | |
| 70.5 | 8 | 58 | -0,14 -0,09 | 4 | -0,11 -0,16 | 46 | |
| 92 | 4.52 | 60.6 | -0,03 -0,02 | 54.4 | 3.1 | 0.02 -0,03 | 59 |
| 87 | 4.5 | 67 | -0,15 -0,10 | 60 | 3.5 | -0,06 -0,11 | 60 |
| 77 | 4.5 | -0,08 -0,13 | 65 | ||||
| 88 | 8 | 68 | 4 | -0,075 -0,125 | 58 | ||
| D f1 ±0,5 | S 3 ±0,05 | D o | D 1 | S f1 | B ±05 | ||
| 88 | 4.5 | 68 | 0.15 0.10 | 60 | 4 | -0,07 -0,12 | 60 |
| 87 | 4.5 | 69 | 0.19 0.14 | 65 | 2 | -0,03 -0,08 | 64.5 |
| 103 | 4.52 | 70.7 | 0.09 -0,04 | 63.7 | 3.5 | 0 -0,05 | 65 |
| 103 | 4.52 | 63.3 | 3.7 | 0.01 -0,04 | 73 | ||
| 86.4 | 4.5 | 72 | 0.15 0.09 | 65 | 3.5 | -0,08 -0,13 | 64.5 |
| 95 | 4.52 | 0.27 0.21 | -0,045 -0,095 | 71.5 | |||
| 95 | 3.5 | 0.09 0.03 | -0,015 -0,065 | 64 | |||
| 108 | 3.5 | -0,03 -0,08 | 75 | ||||
| 87 | 4.5 | 0.11 0.06 | 0.01 -0,04 | 53 | |||
| 95 | 4.52 | 0.27 0.21 | -0,045 -0,095 | 67.5 | |||
| 99 | 4.5 | 74 | 0.19 0.14 | 70 | 2 | -0,03 | 74 |
| 112 | 4.6 | 77 | 0.27 0.21 | 3.5 | -0,08 | 89.5 | |
| 95 | 4.5 | 0.14 0.09 | -0,04 -0,10 | 72 | |||
| 112 | 4.52 | 0.27 0.21 | -0,005 -0,055 | 89.7 | |||
| 93 | 6 | 78 | 0.15 0.09 | 4 | -0,09 -0,14 | 71 | |
| 93 | 8 | 80 | 0.16 0.10 | 5 | -0,075 -0,125 | 70 | |
| 107 | 4.5 | 83 | 75 | 4 | -0,07 -0,13 | 74 | |
| 97 | 10 | 85 | 0.17 0.12 | 5 | -0,10 -0,16 | 79.5 | |
| 97 | 5 | 0.155 0.095 | 70 | ||||
| 120 | 3.8 | 92.6 | 0.16 0.09 | 85 | 3.8 | 0.06 0 | 93 |
| 120 | 6 | 93 | 4 | -0,11 -0,17 | 94 | ||
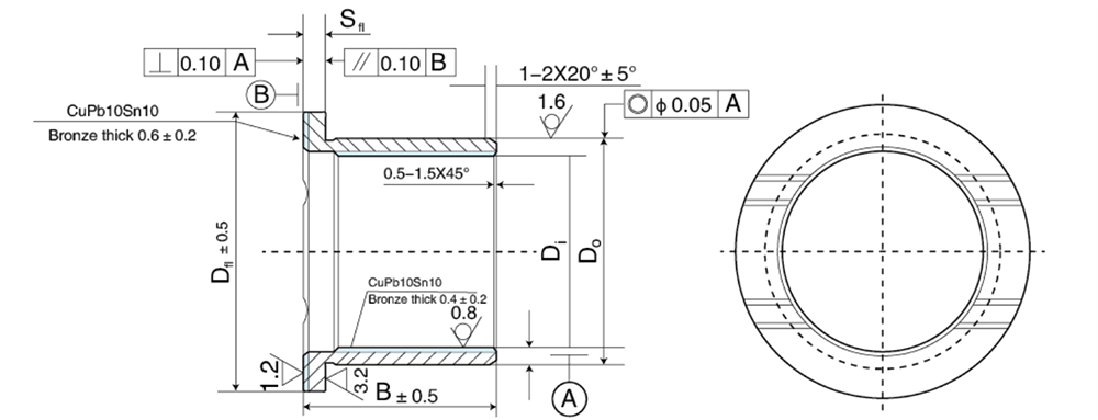
Gore navedene veličine samo su za referencu, HZ može proizvesti dijelove prema nacrtima kupaca.

Odgovorit ćemo Vam u roku od 12 sati od radnog dana.
Huazhou je specijaliziran za istraživanje i razvoj, proizvodnju, prodaju i usluge samopodmazujućih ležajeva kao jedno od velikih sveobuhvatnih poduzeća.
Huazhou je opremljen vrhunskom opremom za istraživanje i razvoj i osobljem te ima više od 200 kompleta opreme različitih veličina, uključujući strojeve za namotavanje, strojeve za probijanje, potpuno automatske strojeve za skošenje, potpuno automatske strojeve za namotavanje, linije za sinteriranje sirovina itd. Također je opremljen tisućama kompleta alata za mljevenje, a proizvodna učinkovitost njegovih proizvoda dosegla je novu visinu. Uzorci se proizvode u 3 dana, s dnevnom proizvodnjom od 500 000 komada i godišnjom proizvodnjom od stotina milijuna komada.
Uvođenje više od 260 posebne opreme, opremljene desecima tisuća kalupa, više od 150 profesionalaca i 30 automatskih proizvodnih linija.
Naši proizvodi se prodaju u raznim provincijama u Kini i naširoko se koriste u raznim industrijama strojeva, Volkswagen, BYD, itd., i prema međunarodnim standardima, izvoze u Rusiju, Maleziju, Tasaniju, Irak, Rumunjsku i drugih 16 zemalja.
